The product has been added to your shopping cart Show shopping cartCheckout
Your browser is not supported. For the best experience, a newer version or another browser is recommended.

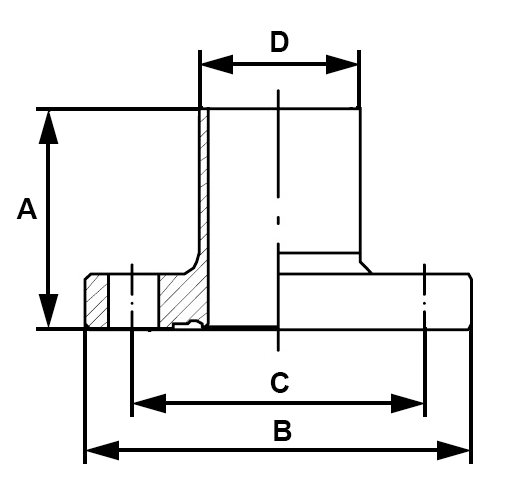
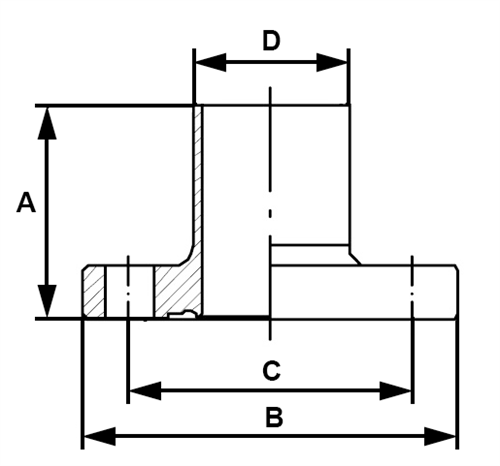
Flange aseptic bund/collar DIN11864-2 ISO 26.9x1.6 1.4404 Ra<0.8µm

6881-ISO020S
Balance 0
Product question

What would you like to know about Flange aseptic bund/collar DIN11864-2 ISO 26.9x1.6 1.4404 Ra<0.8µm?

Send

Description

Svetsfläns aseptisk ''bund'' DIN11864-2 ISO 26.9x1.6 1.4404 Ra<0.8µm

 

A=40.0

B=69.0

C=52.0

D=26.9

T=1.6

More ...Close

Specifications

Standard
DIN11864-2 ISO
Längd mm
40.0
Bredd mm
69.0
Kvalitét
1.4404
Dimension
26.9x1.6
Typ
Svetsfläns "bund"